See All Brands
Search within these results
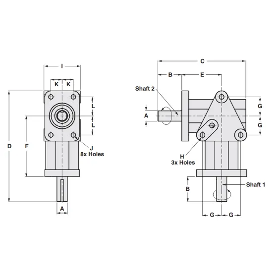
Zero-Max® C156806 2-Way Right An More...
ServoClass® Coupling