piwik image

Call Us: 800-580-5588
Thomson® DS16
Thomson®

Thomson® DS16

loading

DS16

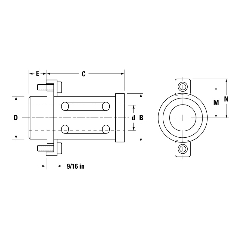
Thomson® Ball Bushing® DS16 Precision Die Set Bearing, Closed Closure, 1 in Dia Shaft, 1.91 in OD

  • Item#: DS16
  • Mfr#: DS16
  • UPC: 662486100751
    • Designed specifically for die movement applications
    • The all steel design makes this ball bushing bearing suitable for high temperature applications
    • Not self-aligning
    • Non-adjustable
    • No wipers
    • 5 ball circuits
  • Min. Order Qty: 1
  • Qty. Interval: 1
  • loading

DESCRIPTION

Thomson® Die set ball bushing bearings are designed to fit the mounting holes of the punch holder in standard dies. When replacing high-friction, plain bearings in standard dies, the result is less machine downtime and increased efficiency. With steady state speeds up to 10 ft/s, the die set bearing will provide faster cycle times with improvements in production rates realized immediately. Matched precision ground 60 Case® LinearRace® allows for a close fit-up between the shaft and the LinearRace® shafting and bearing, providing critical die alignment. When normal machine service requires bearing replacement, the die set bearing can be removed by simply unbolting the toe clamps.

Thomson® Ball Bushing® Die Set Bearing, Series: Precision, 1 in Shaft Dia, 1.91 in Outside Dia, 1.41 in Center Line to Base, 4.11 in W, Closed Closure, 350 lb Dynamic, Steel Bearing, 500 deg F

SPECIFICATIONS

Bearing Material      :      Steel
Center Line to Base      :      1.41 in
Load Capacity      :      350 lb Dynamic
Series      :      Precision
Temperature Rating      :      500 deg F
Width      :      4.11 in
Closure Type      :      Closed
Shaft Diameter      :      1 in
Outside Diameter      :      1.91 in

DOCUMENTS

  • pdf
    Catalog
    https://www.purvisindustries.com//ASSETS/DOCUMENTS/ITEMS/EN/Thomson_ADJS1000_Catalog.pdf