piwik image

Call Us: 800-580-5588
PCI® FTRE-1.125-SS-R
PCI®

PCI® FTRE-1.125-SS-R

loading

FTRE-1.125-SS-R

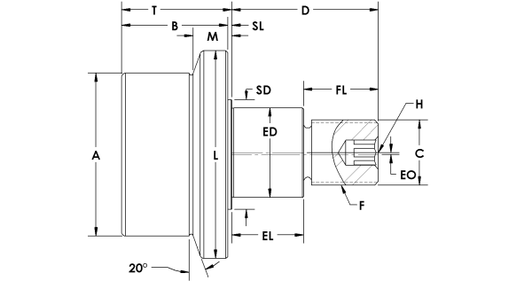
FTRE-1.125-SS-R (ECCENTRIC - FLANGED TRACK ROLLER - STAINLESS STEEL - REGREASABLE)

  • Item#: FTRE-1.125-SS-RPCI
  • Mfr#: FTRE-1.125-SS-R
  • UPC: 00841946154729
      Flanged Track Rollers:
    • Provide single direction guidance in applications where side loads are expected
    • Flanged rollers are used in tandem with plain rollers to prevent overload from misalignment
  • Min. Order Qty: 1
  • Qty. Interval: 1
  • loading

DESCRIPTION

PCI Track Roller assemblies are manufactured with radial ball bearings or tapered roller bearings and are engineered to last in the most demanding of environments. Choose from stud type or yoke type in a variety of body profiles. PCI Track Rollers feature

SPECIFICATIONS

Bearing Type      :      Ball - Stainless Steel
Series      :      FTRE-SS-R
Outside Diameter      :      1.125 / 28.6 in / mm