piwik image

Call Us: 800-580-5588
PCI® CTRE-1.75-R
PCI®

PCI® CTRE-1.75-R

loading

CTRE-1.75-R

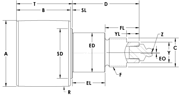
CTRE-1.75-R (ECCENTRIC - CROWNED TRACK ROLLER - REGREASABLE)

  • Item#: CTRE-1.75-RPCI
  • Mfr#: CTRE-1.75-R
  • UPC: 00841946127822
      Crowned Track Rollers:
    • Spherical body profile
    • Reduce the effects of misalignment by better distributing load
    • Crowned rollers are also used in rotary applications to minimize scrubbing or skidding
  • Min. Order Qty: 1
  • Qty. Interval: 1
  • loading

DESCRIPTION

PCI Track Roller assemblies are manufactured with radial ball bearings or tapered roller bearings and are engineered to last in the most demanding of environments. Choose from stud type or yoke type in a variety of body profiles. PCI Track Rollers feature

SPECIFICATIONS

Bearing Type      :      SKF Deep Groove Ball Bearing
Series      :      CTRE-R
Outside Diameter      :      1.750 / 44.5 in / mm