piwik image

Call Us: 800-580-5588

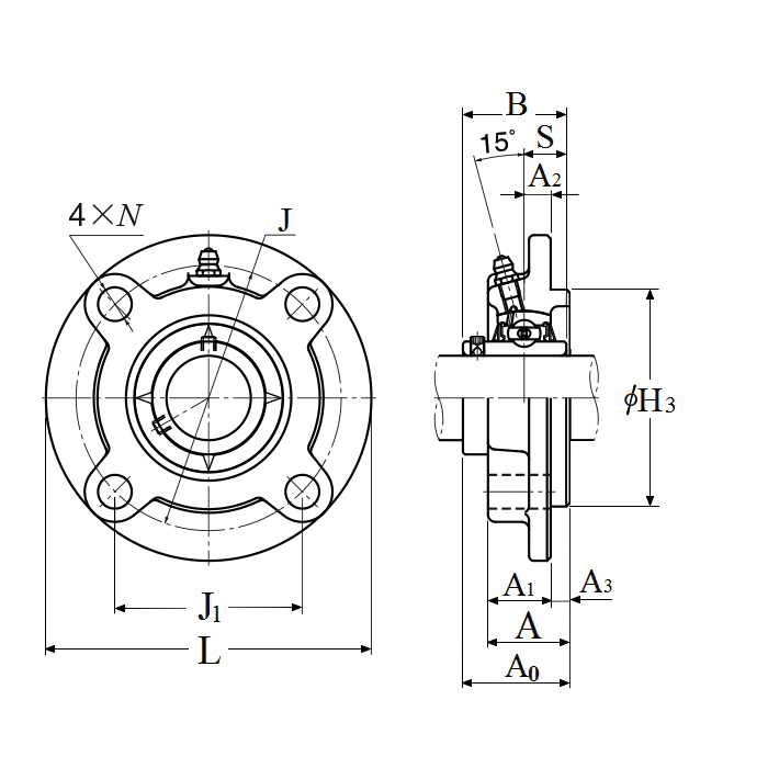
UCFC206

NTN UCFC206 1-Piece Light Duty Ball Bearing Unit, 30 mm Dia Bore, 70.7 mm L Bolt Center-to-Center, 100 mm Dia Bolt Circle, 4-Bolt Round Flange Mount, 125 mm OAL/Dia

  • Item#: UCFC206
  • Mfr#: UCFC206
  • UPC: 3413529509430
    • Non-relubricatable
    • Contact seal
    • Cast iron housing
  • Min. Order Qty: 1
  • Qty. Interval: 1
  • loading

DESCRIPTION

NTN Ball Bearing Unit, 1-Piece Light Duty, Series: UCFC2, 30 mm Bore, 70.7 mm Bolt Center-to-Center Length, 100 mm Diameter Bolt Circle, 4-Bolt Round Flange Mounting, 125 mm Overall Length/Diameter, 40.2 mm Overall Depth, 125 mm Overall Height, Set Screw Locking Device, Nitrile Rubber Seal, 19500 N Dynamic/11300 N Static Load, 4900 rpm Maximum, -40 to 120 deg C

SPECIFICATIONS

Bolt Center-to-Center Length      :      70.7 mm
Series      :      UCFC2
Bolt Circle Diameter      :      100 mm
Flange Mounting Type      :      4-Bolt Round
Locking Device      :      Set Screw
Load Capacity      :      19500 N Dynamic/11300 N Static
Maximum Speed      :      4900 rpm
Overall Depth      :      40.2 mm
Overall Height      :      125 mm
Overall Length/Diameter      :      125 mm
Seal Material      :      Nitrile Rubber

DOCUMENTS

  • pdf
    Catalog
    https://www.purvisindustries.com//ASSETS/DOCUMENTS/ITEMS/EN/https://econtent.adhq.com/dam/Original/428/NTN_3201_Catalog.pdf