piwik image

Call Us: 800-580-5588

SPW2217-300N1

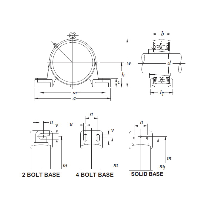
NTN SPW2217-300N1 1-Piece Heavy Duty Pillow Block Spherical Roller Bearing Unit, 76.2 mm Dia Bore, 260 mm L Bolt Center-to-Center, 95 mm Base to Bore Centerline, 320 mm OAL x 192 mm OAH

  • Item#: SPW2217-300N1
  • Mfr#: SPW2217-300N1
  • UPC: 4547359659764
    • Relubricatable
    • Open end
    • Nitrile rubber seal
    • MX-W22217 series sealed spherical roller bearing
  • Min. Order Qty: 1
  • Qty. Interval: 1
  • loading

DESCRIPTION

NTN Pillow Block Spherical Roller Bearing Unit, 1-Piece Heavy Duty, Series: SPW, 76.2 mm Bore, 260 mm Bolt Center-to-Center Length, 95 mm Base to Bore Centerline, 320 mm Overall Length, 90 mm Overall Width, 192 mm Overall Height, Two-Bolt Base Mounting, Round Bore, 90 mm Base Width, Adapter Mounted Locking Device, 324000 N Dynamic/330000 N Static Load, -40 to 200 deg C, 1800 rpm Maximum, Ductile Iron

SPECIFICATIONS

Base Width      :      90 mm
Base to Bore Centerline      :      95 mm
Series      :      SPW
Bolt Center-to-Center Length      :      260 mm
Mounting Type      :      Two-Bolt Base
Locking Device      :      Adapter Mounted
Overall Length      :      320 mm
Load Capacity      :      324000 N Dynamic/330000 N Static
Material      :      Ductile Iron
Maximum Speed      :      1800 rpm
Overall Width      :      90 mm
Overall Height      :      192 mm

DOCUMENTS

  • pdf
    Catalog
    https://www.purvisindustries.com//ASSETS/DOCUMENTS/ITEMS/EN/https://econtent.adhq.com/dam/Original/428/NTN_3201_Catalog.pdf