piwik image

Call Us: 800-580-5588

NATV8XLL

NTN NATV8XLL Cylindrical OD Yoke Type Track Roller Follower With Inner Ring, 8 mm Dia Bore, 24 mm Dia x 14 mm W Roller, 16200 N Load, High Carbon Chrome Steel Roller

  • Item#: NATV8XLL
  • Mfr#: NATV8XLL
  • UPC: 4547359009316
    • Synthetic rubber seal
    • 10700 N dynamic/16200 N static
  • Min. Order Qty: 1
  • Qty. Interval: 1
  • loading

DESCRIPTION

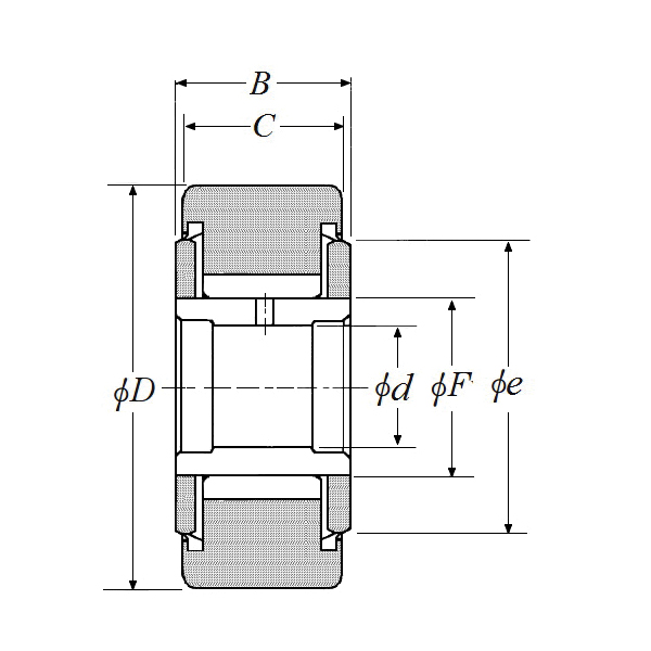
NTN Yoke Type Track Rollers are the rolling mechanisms whose outer ring rolls on a track. For example, these track rollers are applied to eccentric roller, guide roller, rocker arm roller, cam roller and pressure roller. For that, the outer ring is designed to a wall thickness so as to be resistible to high load and shock load. Both spherical outer surface (rolling surface) and cylindrical outer surface are available for the outer ring. The spherical outer ring can withstand edge-load acting on the contact surface between the track and the track roller, while the cylindrical outer ring (Tail code: X) has track load capacity greater than the spherical outer ring.

NTN Track Roller Follower, Cylindrical OD Yoke Type, Series: NATV, 8 mm Bore, 24 mm Roller Diameter, 14 mm Roller Width, 15 mm Overall Width, 16200 N Load, Double Seal Closure, 8500 rpm Grease/10000 rpm Oil Maximum, -40 to 120 deg C, High Carbon Chrome Steel Roller

SPECIFICATIONS

Series      :      NATV
Load Capacity      :      16200 N
Maximum Speed      :      8500 rpm Grease/10000 rpm Oil
Roller Diameter      :      24 mm
Roller Material      :      High Carbon Chrome Steel
Overall Width      :      15 mm
Roller Width      :      14 mm

DOCUMENTS

  • pdf
    Catalog
    https://www.purvisindustries.com//ASSETS/DOCUMENTS/ITEMS/EN/https://econtent.adhq.com/dam/Original/598/NTN_NA228LL_Catalog.pdf