piwik image

Call Us: 800-580-5588

HK2820

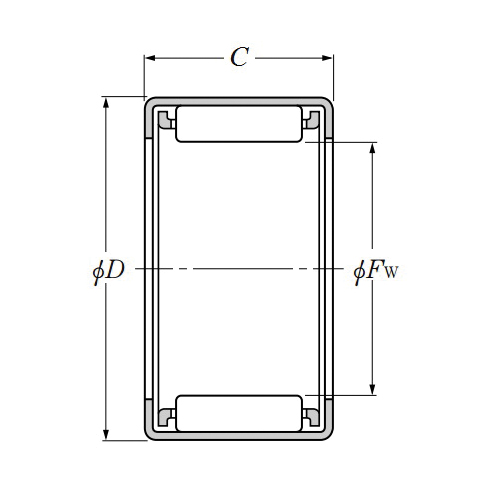
NTN HK2820 HK Series Drawn Cup Needle Roller Bearing, 28 mm Dia Bore, 35 mm OD, 1 Row, 20 mm W, 36000 N Load

  • Item#: HK2820NTN
  • Mfr#: HK2820
  • UPC: 4547359072181
    • Greater load-bearing capacity in a more compact design
    • Low inertial force and high rigidity
    • Needle roller bearings are suitable for applications with oscillatory movement
    • High permissible speeds
    • ISO class 0 tolerance rating
    • CN radial clearance
    • Open-end type bearing
    • 21300 N dynamic/36000 N static
    • Without oil hole
  • Min. Order Qty: 1
  • Qty. Interval: 1
  • loading

DESCRIPTION

Drawn Cup Needle Roller Bearings type is composed of an outer ring drawn from a thin steel plate by precision drawing, needle rollers and a cage assembled in the outer ring after the raceway surface thereof was hardened (A bearing marked with a suffix including M is subjected to heat-treatment after assembly). Of the bearings with outer ring, this bearing type is a bearing with the smallest section height which enables space-saving and cost-saving. Usually design is so made as to use a shaft as the direct raceway surface without using inner ring. The outer ring of this bearing type is of such a construction that the needle rollers and the cage are not separated from one another, so that the bearing is only press-fitted in a rigid housing with proper fit torque. Thus, this bearing type needs no snap ring, etc. to fix itself in axial direction and, in addition, is easy to handle.

NTN Needle Roller Bearing, Drawn Cup, Series: HK Series, 28 mm Bore Dia, 35 mm Outside Dia, 1 Row, 20 mm W, Open Closure, 36000 N, Steel Bearing, Steel Cage, 5500 rpm Grease/8500 rpm Oil Maximum, -40 to 120 deg C

SPECIFICATIONS

Series      :      HK Series
Bearing Material      :      Steel
Load Capacity      :      36000 N
Maximum Speed      :      5500 rpm Grease/8500 rpm Oil
Outside Diameter      :      35 mm
Number of Rows      :      1
Width      :      20 mm

DOCUMENTS

  • pdf
    Catalog
    https://www.purvisindustries.com//ASSETS/DOCUMENTS/ITEMS/EN/https://econtent.adhq.com/dam/Original/448/NTN_7E8QHK3016_Catalog.pdf