piwik image

Call Us: 800-580-5588
Lovejoy® 68514422149
Lovejoy®

Lovejoy® 68514422149

loading

68514422149

Lovejoy® 68514422149 Saga Flexible Elastomeric Donut With Hardware, For Use With Saga Size S-18 2.225 in Bore Torsional Soft Coupling, (6) 1/2-13 x 3 in Bolt, Natural Rubber, Black

  • Item#: SAGA 18 DONUT
  • Mfr#: 68514422149
  • UPC: 685144221490
    • No end thrust in misalignment position
    • Absorbs misalignment and shock
    • No axial reaction force to damage or accelerate wear in system bearings
    • Accepts constant angular misalignment of up to 3 deg
    • Parallel tolerance of 0.06 in (1.5 mm) while reaction force remains low
    • Lateral softness without complication or sacrifice of performance or durability
    • Natural rubber can operate in temperatures from -60 to 200 deg F (-51 to 93 deg C)
    • Without setscrew
  • Min. Order Qty: 1
  • Qty. Interval: 1
  • loading

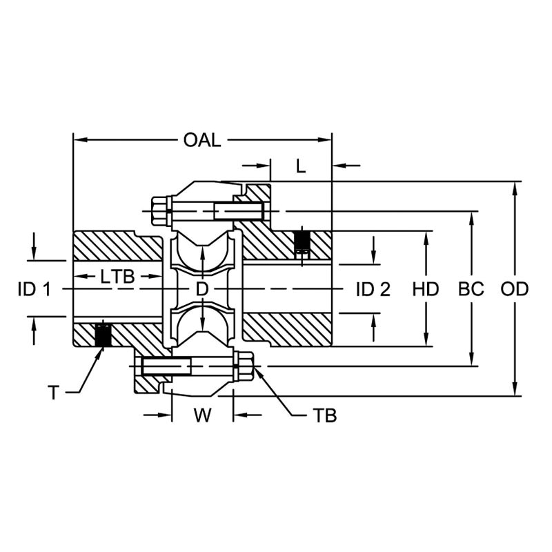
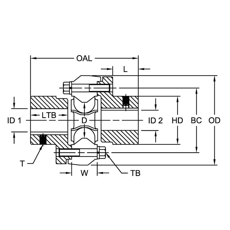
DESCRIPTION

Saga is a general purpose, torsionally soft coupling with high tolerance to all forms of misalignment. The design features hexagonal or octagonal rubber donut-shaped elements with metal inserts positioned at each apex during the vulcanization process. These metal inserts carry actual bolts which fix the element to tines on cast, cylindrical hubs. Embedded inserts also have tines which connect with mating surfaces on hubs so that axial bolts can be easily torqued during assembly without twisting the rubber beyond the limits of its elasticity. The rubber between each apex is precompressed, so it is much more durable to the stresses arising from the various forms of misalignment and torsional vibrations. While the Saga coupling is normally associated with shaft-to-shaft applications, adaptations for flange and flywheel mountings can be made. In addition, a floating shaft version for use in lieu of a universal joint drive shaft with separate torsional coupling is available. Its elements can also be stacked in series for use in applications with extreme transient or permanent parallel misalignment or where torsional dynamics demand an extremely soft element for proper damping and/or vibratory decoupling. The rubber's stiffness of 60 as measured against Shore A by durometer, covers the majority of such situations.

Lovejoy® Elastomeric Donut, Flexible, Series: Saga, For Use With: Saga Size S-18 2.225 in Bore Torsional Soft Coupling, Specifications: (6) 1/2-13 x 3 in Bolt, Natural Rubber, Black, 2.33 in ID x 6.28 in OD

SPECIFICATIONS

Series      :      Saga
Type      :      Flexible
Material      :      Natural Rubber
Dimensions      :      2.33 in ID x 6.28 in OD
Suitable For Use With      :      Saga Size S-18 2.225 in Bore Torsional Soft Coupling
Specifications      :      (6) 1/2-13 x 3 in Bolt
Color      :      Black

DOCUMENTS

  • pdf
    Catalog
    https://www.purvisindustries.com//ASSETS/DOCUMENTS/ITEMS/EN/Lovejoy_68514422072_Catalog.pdf
  • pdf
    Specification Sheet
    https://www.purvisindustries.com//ASSETS/DOCUMENTS/ITEMS/EN/Lovejoy_68514422149_Specification_Sheet.pdf