piwik image

Call Us: 800-580-5588

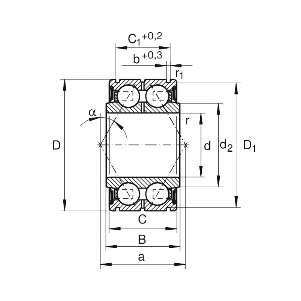
G3203-2Z

INA G3203-2Z Angular Contact Ball Bearing, 17 mm Dia Bore, 40 mm OD, 2 Rows, 17.5 mm W

  • Item#: G3203-2Z
  • Mfr#: G3203-2Z
  • UPC: 03537305387
  • Standard non-contact sheet metal gap seal shield
  • Min. Order Qty: 1
  • Qty. Interval: 1
  • loading

DESCRIPTION

Double-row angular contact ball bearings are units with solid inner and outer rings and ball and cage assemblies with polyamide, brass or sheet-steel cages. Their construction is similar to a pair of single-row angular contact ball bearings in an O arrangement, but they are narrower to a certain extent. They differ in the size of the contact angle and the design of the bearing rings. The bearings are available in open and sealed designs. Due to the manufacturing processes used, open bearings can have turned recesses in the outer ring for seals or shields. Sealed bearings are maintenance-free and therefore facilitate particularly economical bearing arrangements. The angular adjustment facility of angular contact ball bearings is very limited.

INA Angular Contact Ball Bearing, 17 mm Bore, 40 mm OD, 2 Rows, 17.5 mm Width, Double Seal Closure, Steel Seal, 120 deg C

SPECIFICATIONS

Outside Diameter      :      40 mm
Number of Rows      :      2
Seal Material      :      Steel
Width      :      17.5 mm

DOCUMENTS