piwik image

Call Us: 800-580-5588
Browning® VF4B-323
Browning®

Browning® VF4B-323

loading
Browning®

VF4B-323

Browning® 766477 VF4B 300 Non-Expansion Medium Duty Round/Straight Bore Ball Bearing Unit, 1-7/16 in Dia Bore, 4 in L Bolt Center-to-Center, 4-Bolt Flange Mount, 5-1/8 in OAL/Dia

  • Item#: VF4B-323-P01
  • Mfr#: VF4B-323
    • A positive-contact molded nitrile rubber contact seal with an auxiliary flinger element comes standard
    • An anti-rotation rivet prevents outer ring creep or rotation within the housing
    • Semi solid cast iron base
    • Zone hardened inner race
    • BOA is a concentric locking collar clamp design that results in near-perfect concentricity of the shaft to the bearing bore
    • Nylon retainer
    • 52100 bearing insert
  • Min. Order Qty: 1
  • Qty. Interval: 1
  • loading

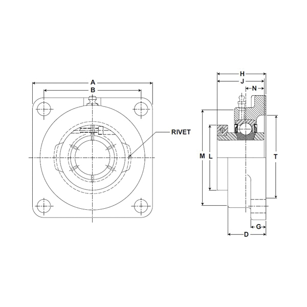
DESCRIPTION

Browning® mounted ball bearings feature multiple housing styles, materials and configurations, an extended inner race insert bearing with ball riding nylon retainer. The insert features a rivet to prevent outer ring rotation and is available with setscrew, eccentric or BOA concentric locking collar. The contact seal with black oxide treated flinger provides a good balance between contaminant resistance, grease loss and friction.

Browning® Ball Bearing Unit, Non-Expansion Medium Duty Round/Straight Bore, Series: VF4B 300, 1-7/16 in Bore, 4 in Bolt Center-to-Center Length, 4-Bolt Flange Mounting, 5-1/8 in Overall Length/Diameter, 2-5/64 in Overall Depth, 5-1/8 in Overall Height, BOA Concentric Locking Device, Steel Bearing, Nitrile Rubber Seal, 5782 lb Dynamic/3493 lb Static Load, 3500 rpm Maximum, 200 deg F, Gray Painted

SPECIFICATIONS

Bolt Center-to-Center Length      :      4 in
Series      :      VF4B 300
Bearing Material      :      Steel
Finish      :      Gray Painted
Flange Mounting Type      :      4-Bolt
Locking Device      :      BOA Concentric
Load Capacity      :      5782 lb Dynamic/3493 lb Static
Maximum Speed      :      3500 rpm
Overall Depth      :      2-5/64 in
Overall Height      :      5-1/8 in
Inside Diameter      :      1-7/16 in
Overall Length/Diameter      :      5-1/8 in
Mounted      :      Yes
Seal Material      :      Nitrile Rubber