piwik image

Call Us: 800-580-5588
Browning® 6TC200
Browning®

Browning® 6TC200

loading
Browning®

6TC200

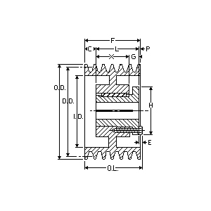
Browning® 1010313 TC Series Type 15 Arm Multiple Sheave, 1 to 2-5/8 in Split Taper Bore, 20.4 in OD, 6 Grooves, 20.4 in Dia Pitch, 6-1/4 in W Face

  • Item#: 6TC200-P01
  • Mfr#: 6TC200
    • Incorporates Browning® Split-Taper® bushing the only bushing system that provides a true key-to-key drive to both the shaft and the hub
    • All sheaves are statically balanced to assure smooth and vibration free performance
    • Close grain cast iron allows Browning® to machine our sheaves to the closest tolerances possible
  • Min. Order Qty: 1
  • Qty. Interval: 1
  • loading

DESCRIPTION

Browning® offers an extensive multi-groove sheave offering. This includes Browning® Split-Taper® and QD® bushing designs. This means maximum economy and versatility for your application. Truly the right drive every time our exclusive B5V® sheaves have a patented design that offers 5V horsepower in the economy of a B section sheave. B5V® sheaves serve 90% of all applications from 10 to 150 hp. This can reduce cost up to 40% over traditional designs.

Browning® Multiple Sheave, Type 15 Arm, Series: TC Series, Split Taper Bore, 1 to 2-5/8 in Bore, 20.4 in OD, 20.4 in Pitch Diameter, 6 Grooves, 6-1/4 in Face Width, Q2 Bushing, 6-1/4 in Overall Length, For Use With: GripBelt® C Cross Section V-Belt, Cast Iron

SPECIFICATIONS

Series      :      TC Series
Overall Length      :      6-1/4 in
Material      :      Cast Iron
Bushing Type      :      Q2
Bore Diameter      :      1 to 2-5/8 in
Bore Type      :      Split Taper
Outside Diameter      :      20.4 in
Number of Grooves      :      6
Pitch Diameter      :      20.4 in
Face Width      :      6-1/4 in
Suitable For Use With      :      GripBelt® C Cross Section V-Belt
Type      :      Type 15 Arm